Os sistemas de energia evoluíram nas últimas décadas devido a fatores como a adição de fontes como recursos de energia distribuída em várias partes da rede elétrica e a crescente necessidade de projetar um sistema em torno das condições econômicas, ao invés de simplificar os esquemas de proteção. Esquemas de barramento de sistemas de energia, portanto, se tornaram maiores e mais complexos, tendo reconfiguração como requisito. Como resultado, esquemas de proteção de barramento tiveram que evoluir para garantir que todas as configurações do barramento pudessem ser cobertas com segurança durante todas as condições do sistema de energia, inclusive durante a reconfiguração do sistema de barramento.
Neste artigo, discutiremos a evolução da proteção de barramento, focando nos esquemas de de proteção de barramento distribuída e 5 considerações chave na implementação do processo de esquemas de proteção de barramento distribuído em sistemas de energia modernos.
1. Simplifica a fiação do campo
Esquemas de proteção de barramento, especialmente para barramentos grandes, podem ser muito complexos. Vários sinais analógicos e digitais devem ser conectados a partir do equipamento primário localizado em vários locais dentro da estação até a central de proteção e controle (P&C) onde o esquema de relé de proteção de barramento está localizado. Algumas das localizações de disjuntores, transformadores de tensão e de corrente podem estar a mais de 500 metros da unidade de controle ou da localização do relé, ou seja, os cabos de cobre e o roteamento devem ser projetados, implementados e, às vezes, duplicados para vários esquemas de proteção. Isso contribui para uma maior carga nos transformadores de corrente (TCs), com maior risco de saturação. Além disso, expõe os sinais CA, entradas digitais e fiação de saídas a mais interferências de radiofrequência (RFI) durante a comutação do sistema e eventos de falha, afetando o desempenho do relé de proteção. Como resultado, arranjos de fiação mais simples e mais curtos são mais adequados para garantir a operação confiável e segura dos esquemas de proteção.
O verdadeiro valor do custo da proteção de barramento distribuída está na simplificação da fiação de campo, que é a única maneira prática de implementar esquemas de proteção de barramento para grandes configurações de barramento. Isso permite um arranjo e design do painel de proteção de barramento simples e padronizado.

2. Reduz custos de material, engenharia, comissionamento e manutenção
Esquemas de proteção de barramento tradicionais e centralizadas requerem que toda a fiação de cobre seja projetada, implementada e comissionada de equipamentos principais (disjuntores, transformadores de corrente e tensão), por meio de valas de cabos até o local de proteção do barramento, normalmente localizado no interior da central P&C.
Esta abordagem requer um trabalho significativo de projeto e fiação de cobre para ser usada e testada durante o comissionamento e solução de problemas. Utilities e indústrias em todo mundo estão sob pressão para reduzir custos na implementação, atualização e expansão de sistemas de proteção, a medida em que o orçamento e a força e trabalho qualificada de P&C seguem diminuindo.
Esquemas de proteção de barramento distribuída, com subestações e PIUs (Unidades de Interface de Processo) ambientalmente protegidas, só precisam de fiação de cobre para a PIU que está localizada no equipamento principal, ao invés da central de P&C. Cada Unidade de Interface de Processo é conectada à unidade de controle na central de P&C por meio de fibra; portanto, muito menos cabos de cobre são necessários nas fases de projeto, implementação, comissionamento e teste, resultando em custos iniciais e operacionais muito mais baixos.
3. Facilidade de uso e implementação
O projeto e configuração de esquemas de proteção de barramento centralizadas e tradicionais, em especial para barramentos grandes com falha de disjuntor, podem ser muito complexos. Cada “caixa” do esquema centralizado de segregação de fase do esquema deve ser configurada. A lógica distribuída deve ser planejada e implementada (ou seja, o monitoramento do isolador), incluindo comunicações entre todas as caixas, garantindo que as caixas de fase tenham as informações de lógica de réplica de barramento (ou isolador) corretas. Em um menor grau, isso também se aplica a esquemas de proteção de barramento distribuída, onde cada unidade de baia precisa ser programada separadamente. O projeto e a programação de um grande e complexo esquema de proteção de barramento centralizado com falha de disjuntor devem ser executados por especialistas experientes.
Em contraste, o projeto de um esquema de proteção de barramento distribuído de barramento de processo requer programação e configuração apenas da unidade de controle. Além disso, é bastante simplificado com a ajuda de uma interface gráfica do usuário, como a do Multilin B95 Plus.

4. Suporte de arranjos de barramento do simples ao complexo
Fontes de barramento permitem que cada circuito ou fonte esteja conectada a um ou vários barramentos, portanto, eles podem ser usados em uma gama de aplicações, desde esquemas de barramento simples, até de barramento duplo complexo com barramento de transferência com seções de barramento e configurações de zona de verificação, para até seis zonas de barramento. Cada fonte consiste em um banco de TC trifásico, disjuntor, isoladores de barramento e isolador de bypass.
Cada fonte de barramento fornece corrente para a proteção de barramento, bem como para outras funções de proteção, como falha no disjuntor, sobrecorrente de fase e proteção de falha final. Com todas as fontes e barramentos conectados, a zona total de barramentos pode ser criada.

Os barramentos do sistema de energia são então mapeados para zonas de barramento. Cada zona tem comparadores de proteção diferencial de barramento independentes para cada fase de um segmento de barramento, e cada zona tem um barramento de trip específico baseado na réplica de barramento (fontes conectadas à zona) e as outras funções de proteção mencionadas.
Isso é uma grande vantagem para proteção distribuída de barramento; fontes de barramento não podem ser aplicadas em um esquema de proteção de barramento centralizado com segregação de fase, uma vez que cada corrente de fase deve ser conectada a uma caixa diferente. Portanto, toda a fiação CT e PT deve ser consistente com as caixas das fases A, B e C para permitir o uso de ajustes de configuração equivalentes. Cada caixa de fase deve ser programada e tratada separadamente; enquanto que em um esquema de proteção de barramento distribuído de barramento de processo, isso é feito apenas uma vez e com o auxílio da programação da interface gráfica do usuário para a unidade de controle apenas.
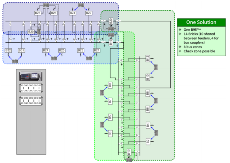
A vantagem de uma réplica de barramento e sua facilidade de uso é simplesmente ilustrada por um sistema complexo composto por dois barramentos duplos ligados com seções de barramento, 20 alimentadores e acopladores de barramento. Este sistema pode ser coberto por um esquema de proteção de barramento da seguinte forma:

5. Capacidade de expansão de esquemas de proteção de barramento e outros
Esquemas distribuídos de proteção de barramento podem facilmente ser expandidos caso uma nova fonte ou circuito for adicionada ao esquema. Isso pode ser feito simplesmente adicionando outra PIU, conectada ao disjuntor, CTs e PTs adicionados; e fornecendo uma conexão de fibra do PIU à Unidade de Controle existente. São mínimas as mudanças de configuração necessárias na unidade de controle: basta adicionar a PIU como outra fonte de barramento, e atribuir essa fonte às zonas digitais apropriadas.
Com esquemas de proteção de barramento distribuído de barramento de processo IEC 61850, a PIU pode ser usada para expansão de mais do que apenas o esquema de proteção de barramento, uma vez que a PIU tem a capacidade de fornecer dados para até quatro esquemas de proteção diferentes:

No exemplo a seguir, uma fonte F6 é adicionada ao sistema local (e, portanto, ao esquema de proteção de barramento também) porém, necessita de proteção de diferencial de linha (L90) adicional. Neste caso, a unidade de compartilhamento é uma Unidade de Interface de Processo (PIU) ou Brick:

O valor a longo prazo de um sistema de unidade de compartilhamento baseado em barramento é que o o esquema de proteção de barramento distribuído, junto de outros esquemas de proteção, podem ser expandidos com o mínimo de esforço.
Artigo produzido por JC Theron – GE Grid Solutions
A GE Grid Solutions, parceira da UTILI, está focada em enfrentar os desafios da transição energética, permitindo a conexão segura e confiável de recursos de energia renováveis e distribuídos à rede. Você encontra os produtos GE no nosso site.
